咨询电话:0755-27319480
邮箱地址:xinfa100@soowel.com
分享:
网站首页
关于我们
产品中心
在线留言
思唯乐论坛
联系我们
数据线事业部
网站首页
关于我们
产品中心
在线留言
思唯乐论坛
联系我们
数据线事业部
PRODUCTS CENTER
产品中心
音频插座 AUDIO JACK
DC插座 DC JACK
USB
开关&按键 SWITCH
卡座 CARD CONNECTOR
RJ45 网络接口
Mini DIN
其它产品 OTHERS
网站首页
>
产品中心
>
DC插座 DC JACK
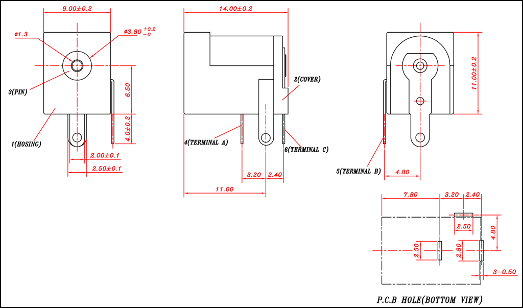
DC JACK 90° DIP DC-211
3.5*1.35 DC JACK 90° DIP DC-211
DC-211-113